Hasil Laporan Jasa Layanan yang di terima Klien
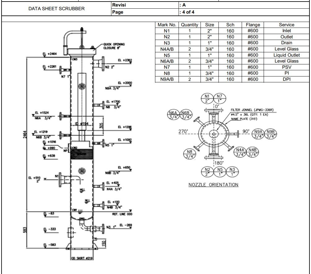
1. Datasheet Bejana Tekan (Pressure Vessel)

2. Data Desain dan Kondisi Operasi
Bagian ini merangkum semua parameter utama yang digunakan dalam perhitungan.
-
Tipe Bejana
-
Dimensi:
-
Kondisi Desain:
-
Tekanan Desain Internal
-
Suhu Desain
-
-
Material:
-
Dinding (Shell)
-
Kepala (Head)
-
Penggunaan Corrosion Allowance
-

3. Ringkasan Hasil Perhitungan
Bagian ini menyajikan hasil utama dari analisis struktural yang dilakukan oleh PV Elite, memastikan kepatuhan terhadap kode ASME.
-
Perhitungan Ketebalan Dinding (Shell Thickness Calculation):
-
Ketebalan Minimum yang Dibutuhkan
-
Ketebalan yang Digunakan
-
Hasil: LULUS/ TIDAK LULUS (ketebalan yang digunakan melebihi minimum yang diperlukan).
-
-
Perhitungan Kepala (Head Thickness Calculation):
-
Ketebalan Minimum yang Dibutuhkan
-
Ketebalan yang Digunakan
-
Hasil: LULUS/ TIDAK LULUS.
-
-
Analisis Bukaan dan Reinforcement (Nozzle & Reinforcement Analysis):
-
Bukaan Nozzle
-
Tegangan di sekitar bukaan terverifikasi berada di bawah batas yang diizinkan.
-
-
Analisis Beban Tambahan:
-
Beban Angin
-
Beban Seismik
-
-
Perhitungan Sambungan Las:
-
Efisiensi sambungan las (joint efficiency)
-

4. Kesimpulan Verifikasi Kode (Code Compliance)

